| Sign In | Join Free | My chinaqualitycrafts.com |
|
Brand Name : ZR Hi-Tech
Model Number : LT-SW4TA-005120S
Place of Origin : CHINA
MOQ : 1
Payment Terms : T/T
Delivery Time : 4 weeks
Packaging Details : carton packing
Product name : LT-SW series PIN Doide Switch
Application : Wireless Communication
Material : Aluminum
Temperature : -40~85℃
Frequency range : 0.5 to 12 GHz
Color : Silver
0.5 to 12 GHz LT-SW Series PIN Diode Switch
Quick Detail:
· Aluminum Housing
· Customizable Frequency
· -40℃~+85℃ Operating Temperature
· Fast Switching Time 100ns
· CE, RoHS, REACH compliant
· 1 Year Warranty
Description:
The LT-SW4TA-005120S from ZR is a Absorptive PIN Diode Switch with Frequency 0.5 to 12 GHz, Isolation 60 dB, Switching Speed 100ns. Power Supply with bias +5V/200mA and -5V/50mA. More details for LT-SW4TA-005120S can be seen below.
Specifications:
Electrical / Optical Characteristics (Ta=25℃±3℃)
| Items | Specification | Conditions |
| Part Number | LT-SW4TA-005120S | |
| Type | Absorptive | |
| Configuration | SP4T | |
| Frequency Range | 0.5 to 12 GHz | |
| Insertion Loss | 3 dB | |
| Isolation | 60 dB | |
| Switching Speed | 100 ns | |
| Control | TTL | |
| Input / Output VSWR | 2.0:1 | |
| Input Power | 1 W | |
| Power Supply(Bias) | +5V / 200mA | |
| -5V / 50mA | ||
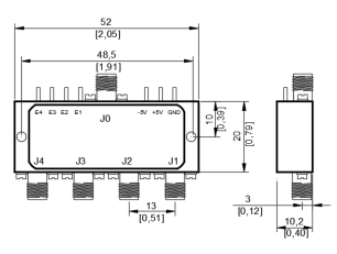
| Dimension | 52*20*10.2mm | |
| Note: for custom specs, please contact us directly. | ||
Outline Drawing (Unit: mm):

|
|
0.5 To 12 GHz SP4T Absorptive PIN Diode Switch Images |